概述
Φ6mm 無刷空心杯電機(MC)
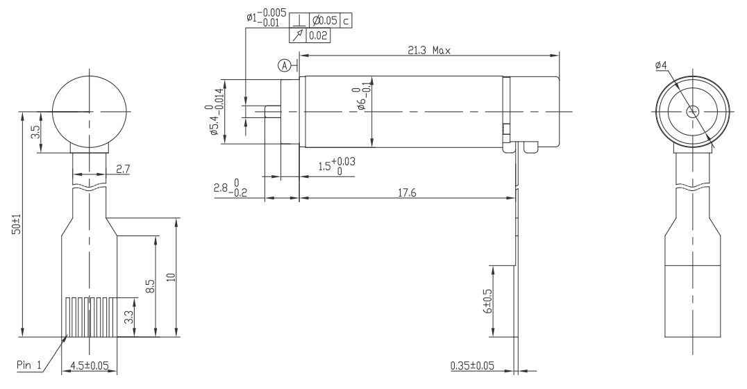
產品型號:CL0623
直徑(mm):6
長度(mm):23
額定電壓(V):12
額定轉速(rpm):46800
堵轉轉矩(mNm):1.3
堵轉電流(A) :0.87
轉矩常數(mNm/A):1.6
速度常數(rpm/V) :5882
輸出軸直徑(mm):1
電機參數
| 電機數據(額定值) |
| 額定電壓(V) |
12 |
3.5 |
| 空載轉速(rpm) |
63400 |
38000 |
| 空載電流(A) |
37 |
37 |
| 額定轉速 (rpm) |
46800 |
26400 |
| 額定轉矩(mNm) |
0.425 |
0.19 |
| 額定電流(A) |
0.308 |
0.3 |
| 堵轉轉矩(mNm) |
1.3 |
0.58 |
| 堵轉電流(A) |
0.87 |
0.79 |
| 最大效率(%) |
53 |
55 |
| 電機常數(額定值) |
| 相間電阻(Ω) |
14.4 |
4.4 |
| 相間電感(mH) |
0.06 |
0.025 |
| 轉矩常數(mNm/A) |
1.6 |
0.8 |
| 速度常數(rpm/V) |
5882 |
12500 |
| 轉速/轉矩斜度( rpm/mNm) |
51631 |
69384 |
| 機械時間常數(ms) |
3.76 |
5.04 |
| 轉子慣量(gcm2) |
0.007 |
0.007 |
| 熱參數 |
| 機殼-環境熱阻(K/W) |
65.8 |
67.9 |
| 繞組-機殼熱阻(K/W) |
13.2 |
15.2 |
| 繞組熱時間常數(s) |
1.34 |
1.54 |
| 電機熱時間常數(s) |
70.4 |
71.5 |
| 環境溫度(℃) |
?? -20~+100 |
?? -20~+100 |
| 最高繞組溫度(℃) |
125 |
125 |
| 機械參數(滾珠軸承) |
|
| 最大允許轉速(rpm) |
100 000 |
| 最大軸向間隙(mm) |
< 0.15 N? ?0 |
| > 0.15 N? ?0.06(max) |
| 徑向間隙 |
preloaded |
| 最大軸向動態載荷(N) |
0.1 |
| 最大允許安靜態裝力(N) |
10 |
| 最大徑向載荷,距離法蘭處2mm處(N) |
2 |
| 端子型號 |
|
| Molex 52745-0897 52207-0460 |
| FCI SFV8R-2STBE1HLF SFW4R-2STGE1LF |
*注:以上具體參數可根據客戶要求定制。
-
MC0820
額定電壓5 V
額定轉速15000 rpm
堵轉轉矩1.08 mNm

查看詳情
-
MC1028
功率8.7W
扭矩1.5 mNm
磁極兩磁極

查看詳情
-
MC1226
功率9.9W
扭矩2.38 mNm
磁極兩磁極

查看詳情
資料下載

Φ6mm 無刷空心杯電機(MC)規格書
兆威 — 微型驅動系統制造商
專注于研發、生產精密驅動系統,為客戶提供智能驅動方案設計,零件的生產與組裝的定制化服務
立即咨詢 >